CN
Home > Products > Mirror Mount&Accessories > Accessories > ACCA/ACCF series Table Clamp

ACCA/ACCF series Table Clamp

ACCF series table clamp can fix and lock optical and optomechanical components on any position of the optical table. It is convenient and reliable to move. ACCA series are height adjustable and more flexible to use.
 
 
Inquiry
Download
Details
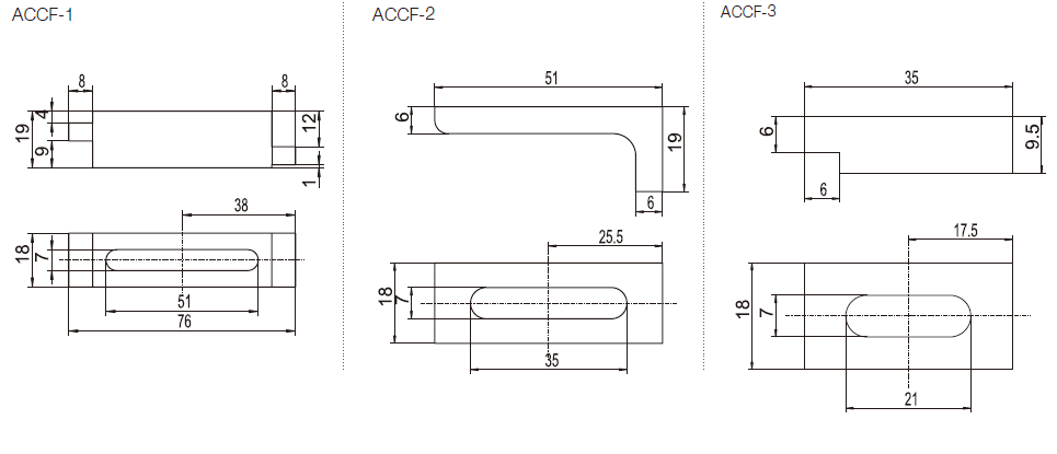
Dimensions: