CN
Home > Products > Mirror Mount&Accessories > Accessories > RAOB series Optical Rail

RAOB series Optical Rail

Inquiry
Download
Details
Brief Introduction:
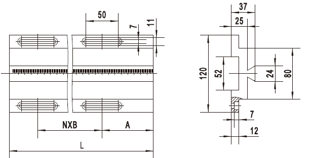
RAOB series optical rail is used for easily constructing coaxial optical system , RAOB series optical rail with the RACA series sliding carriers,posts and lens mounts, there is scale on the rail so that each optic components are adjustable in quantitative. The sliding carriers can be locked on the optical rail dovetail slot. RAOB series optical rail made from high quality aluminium alloy, rigid and light weight , better than the traditional steel rail.
Selection Table:

Model

RAOB02-1

RAOB03-1

RAOB04-1

RAOB05-1

RAOB10-1

RAOB15-1

RAOB20-1

Overall Length L(mm)

200

300

400

500

1000

1500

2000

Mounting Hole distance

to the edge A(mm)

50

80

Mounting Hole Center distance B (mm)

100

140

240

170

280

335

460

Mounting Hole Number N

1

2

3

4

Net Weight(Kg)

1.15

1.73

2.3

2.85

5.75

8.65

11.5

Dimensions:
Related Products:
RACA series Sliding Carriers